您当前所在的位置:首页 >> 产品中心 >> 按应用划分滤光片 >> 光学透镜

PRODUCTS产品中心

致力于技术创新,不断满足广大客户的需求

平凸透镜

咨询热线: 0755-27888032
产品详情:

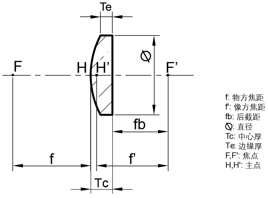
材料: K9 、熔融石英
中心偏差:3°
焦距(f'): ±2%@587.6nm
光圈:1~5
直径公差 (φ):+0.0/-0.20  
局部光圈:0.2~0.5
中心厚度 公差(Tc):±0.1  
光洁度:40-20 60-40
镀膜:MgF2增透膜  
通光孔径:>90%

平凸透镜通常用来聚焦平行光。平凸透镜的前后表面不对称,因此可以有效地减小球差,特别是在物像距离不相等的应用场合中。最佳应用是将物体放在无穷远处(即视为平行光入射),在焦平面成像。此时,物象共轭比(即物距/ 像距)为无穷大。透镜的凸面应该朝向物方方向放置。

使用注意事项:

1.使用时请戴好手指套,不要用手指直接触碰平凸透镜表面,以免残留的手指影响光学透镜通光效果。

2.如平凸透镜表面脏时,可用无尘沾上酒精擦拭镜片表面。不可用表面很粗糙的布或纸或沾水擦拭,否则会损坏平凸透镜表面。

3.检查光路各调整光轴时,请一定做好相应的防护。

4.如果用了平凸透镜后系统效果还是不好,请把详细光路系统告诉我们,我们来帮您分析原因,让您少走很多冤枉路。(当然,我们会对客户的方案保密,尽可放心!和客户一起成长是我们不变的宗旨)。


上一篇:双凸透镜下一篇:双凸透镜