致力于技术创新,不断满足广大客户的需求
胶合透镜也叫消色差透镜,是由两个单片镜片通过胶合而成,在复色(白光)成像的性能比单透镜性能提高了许多。消色差镜片由两片材料不同的镜片胶合在一起,校正了玻璃的色散。消除了色差问题,消色差镜片就在多色照明以及成像方面得到了广泛的应用,提高了成本效益。
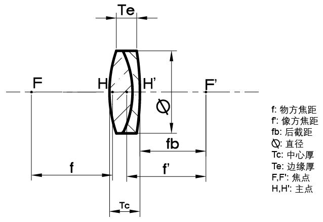
双胶合消色差透镜由低折射率(冕牌玻璃)的正透镜和高折射率(火石玻璃)的负透镜组成。经过计算机优化设计,使球差、彗差和色差等近轴像差都得到了很好的校正,当用来聚焦准直时,凸透镜或小曲率半径的面通常朝向准直光。当用来成像时,凸透镜必须朝向物距或像距较长的一边,大孔径色消色差透镜为双分离消色差型透镜。
双胶合消色差透镜可用于控制色差,在使用单色光源(如激光)时,常常用来产生衍射极限的光点。 当准直点光源时,为了实现最佳效果,通常把透镜曲率半径小的曲面朝向光源;相反的,当聚焦准直光源时,应将曲率半径大的曲面朝向光源。

使用注意事项:
1.使用时请戴好手指套,不要用手指直接触碰双胶合消色差透镜表面,以免残留的手指影响光学透镜通光效果。
2.如双胶合消色差透镜表面脏时,可用无尘沾上酒精擦拭镜片表面。不可用表面很粗糙的布或纸或沾水擦拭,否则会损坏双胶合消色差透镜表面。
3.检查光路各调整光轴时,请一定做好相应的防护。
4.如果用了双胶合消色差透镜后系统效果还是不好,请把详细光路系统告诉我们,我们来帮您分析原因,让您少走很多冤枉路。(当然,我们会对客户的方案保密,尽可放心!和客户一起成长是我们不变的宗旨)。