产品详情:
材料:K9 、熔融石英
中心偏差:3°
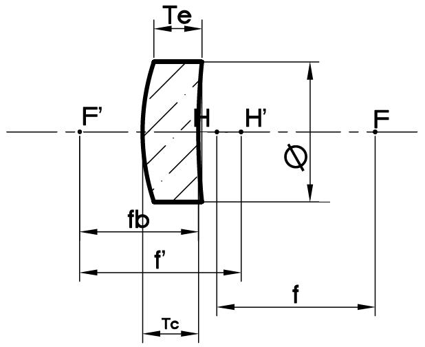
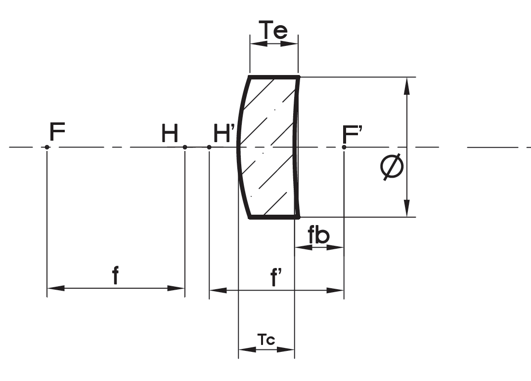
焦距(f'):±2%@587.6nm
光圈:1~5
直径公差 (φ):+0.0/-0.20
局部光圈:0.2~0.5
中心厚度公差(Tc):±0.1
光洁度:40-20 60-40
镀膜:MgF2增透膜
通光孔径:>90%
弯月透镜也叫作凹凸透镜,可以减少小球差,可产生最小的准直入射光焦点,是根据两个表面的相对曲率,弯月透镜可以是正透镜也可以是负透镜。负弯月透镜的中心比周边薄,而正弯月透镜的中心比周边厚。其材质包括BK7,紫外熔融石英,CaF2,和ZnSe。通常将这些透镜与另一正透镜配对使用,以获得更好的聚焦效果。


使用注意事项:
1.使用时请戴好手指套,不要用手指直接触碰弯月透镜表面,以免残留的手指影响光学透镜通光效果。
2.如弯月透镜表面脏时,可用无尘沾上酒精擦拭镜片表面。不可用表面很粗糙的布或纸或沾水擦拭,否则会损坏弯月透镜表面。
3.检查光路各调整光轴时,请一定做好相应的防护。
4.如果用了弯月透镜后系统效果还是不好,请把详细光路系统告诉我们,我们来帮您分析原因,让您少走很多冤枉路。(当然,我们会对客户的方案保密,尽可放心!和客户一起成长是我们不变的宗旨)。